
Основные механические характеристики двутавровой балки
Механические характеристики определяют, как материал балки будет вести себя под нагрузкой. Они зависят в первую очередь от марки стали, из которой изготовлена балка.
Предел текучести (σy или Ry)
Это напряжение, при котором материал начинает пластически деформироваться без заметного увеличения нагрузки. До достижения предела текучести деформация носит упругий характер (материал возвращается к первоначальной форме после снятия нагрузки).
Предел текучести является основной расчетной характеристикой при проектировании. Он определяет максимальные напряжения, которые могут возникнуть в балке без остаточных деформаций, которые могут привести к нарушению эксплуатационных качеств конструкции.
Предел прочности на разрыв (σu или Ru)
Это максимальное напряжение, которое материал может выдержать до момента разрушения.
Предел прочности используется для определения запаса прочности конструкции и оценки ее способности выдерживать кратковременные пиковые нагрузки или аварийные ситуации.
Модуль упругости (E или модуль Юнга)
Характеризует жесткость материала, его способность сопротивляться упругой деформации при растяжении или сжатии. Это отношение напряжения к упругой деформации в пределах упругости.
Модуль упругости используется для расчета прогибов балки под нагрузкой. Чем выше модуль упругости, тем меньше будет прогиб при той же нагрузке и геометрических размерах.
Относительное удлинение при разрыве (δ)
Показывает, на сколько процентов может удлиниться образец материала до момента разрушения. Характеризует пластичность материала.
Высокая пластичность позволяет балке выдерживать значительные деформации без хрупкого разрушения, что особенно важно при динамических или ударных нагрузках.
Ударная вязкость (KV, KCU)
Характеризует способность материала поглощать энергию удара до разрушения. Важна для конструкций, подверженных динамическим или ударным нагрузкам, особенно при низких температурах.
Обеспечивает устойчивость конструкции к хрупкому разрушению при внезапных воздействиях.
Основные технические характеристики двутавровой балки
Технические характеристики описывают геометрические размеры и форму балки, а также другие параметры, важные для ее применения.
Высота профиля (h)
Расстояние между внешними гранями полок.
Высота профиля оказывает наибольшее влияние на момент инерции и момент сопротивления балки, определяя ее жесткость на изгиб и сопротивление изгибающим напряжениям. Чем больше высота, тем выше несущая способность на изгиб при той же массе.
Ширина полки (b)
Ширина горизонтальных элементов (полок) балки.
Ширина полки влияет на устойчивость балки из плоскости изгиба (боковую устойчивость), площадь опирания и удобство соединения с другими элементами. Более широкие полки повышают устойчивость и площадь контакта.
Толщина стенки (s)
Толщина вертикального элемента (стенки), соединяющего полки.
Толщина стенки в основном влияет на сопротивление балки поперечным силам (сдвигу) и местной устойчивости стенки (предотвращение смятия и потери устойчивости).
Толщина полки (t)
Толщина горизонтальных полок балки.
Толщина полки влияет на сопротивление балки изгибающим напряжениям (особенно в крайних волокнах) и местной устойчивости полки (предотвращение потери устойчивости при сжатии).
Момент инерции сечения (Ix, Iy)
Геометрическая характеристика сечения, определяющая его сопротивление изгибу относительно определенной оси (Ix - относительно оси, параллельной полкам, Iy - относительно оси, перпендикулярной полкам).
Чем больше момент инерции, тем выше жесткость балки на изгиб и тем меньше будет ее прогиб под нагрузкой. Ix обычно значительно больше Iy для стандартных двутавров, что делает их более устойчивыми к изгибу в вертикальной плоскости.
Момент сопротивления сечения (Wx, Wy)
Геометрическая характеристика сечения, определяющая его сопротивление изгибающим напряжениям. Равен отношению момента инерции к расстоянию от нейтральной оси до самой удаленной точки сечения.
Чем больше момент сопротивления, тем выше способность балки выдерживать изгибающие моменты без превышения допустимых напряжений.
Радиус инерции сечения (ix, iy)
Геометрическая характеристика, связанная с моментом инерции и площадью сечения. Используется при расчетах на устойчивость сжатых элементов (например, колонн).
Чем больше радиус инерции, тем выше устойчивость элемента к продольному изгибу.
Площадь поперечного сечения (A)
Полная площадь поперечного сечения балки.
Используется при расчетах на растяжение, сжатие и сдвиг, а также при определении веса балки.
Вес погонного метра (m)
Масса одного метра длины балки.
Необходим для расчета общей нагрузки на конструкцию, определения стоимости транспортировки и монтажа.
Длина балки (L)
Общая длина поставляемой балки.
Влияет на количество стыков в конструкции, удобство транспортировки и монтажа.
Тип двутавра (нормальный "Б", широкополочный "Ш", колонный "К" и др.)
Классификация двутавров по соотношению размеров полок и стенки.
Разные типы двутавров обладают различными характеристиками и оптимально подходят для решения разных задач. Например, широкополочные двутавры обладают большей устойчивостью из плоскости изгиба, а колонные - большей устойчивостью при сжатии.
Таблица 1. Технические и механические характеристики двутавровой балки
| Размер двутавровой балки | Схема / чертеж | Характеристики, размеры двутавра | |||||||||||||||||||||||||||||||||||||||||||||
| Балка двутавровая № 10 | ![]() ![]() |
| |||||||||||||||||||||||||||||||||||||||||||||
| Балка двутавровая № 12 | ![]() ![]() |
| |||||||||||||||||||||||||||||||||||||||||||||
| Балка двутавровая № 14 | ![]() ![]() |
| |||||||||||||||||||||||||||||||||||||||||||||
| Балка двутавровая № 16 | ![]() ![]() |
| |||||||||||||||||||||||||||||||||||||||||||||
| Балка двутавровая № 18 | ![]() ![]() |
| |||||||||||||||||||||||||||||||||||||||||||||
| Балка двутавровая № 20 | ![]() ![]() |
| |||||||||||||||||||||||||||||||||||||||||||||
| Балка двутавровая № 30 | ![]() ![]() |
| |||||||||||||||||||||||||||||||||||||||||||||
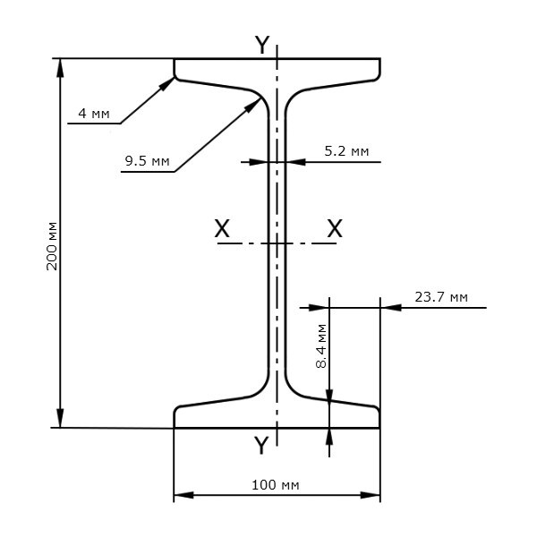
Таблица 2. Маркировка, размеры и характеристики двутавров с уклоном внутренних граней полок

№ двутавра | h [мм] | b [мм] | s [мм] | t [мм] | R [мм] | r [мм] | А [см2] | m [кг] | Ix [см4] | Wx [см3] | ix [см] | Sx [см3] | Iy [см4] | Wy [см3] | iy [см] |
|---|---|---|---|---|---|---|---|---|---|---|---|---|---|---|---|
| 10 | 100 | 55 | 4.5 | 7.2 | 7 | 2.5 | 12 | 9.46 | 198 | 39.7 | 4.06 | 23 | 17.9 | 6.49 | 1.22 |
| 12 | 120 | 64 | 4.8 | 7.3 | 7.5 | 3 | 14.7 | 11.5 | 350 | 58.4 | 4.88 | 33.7 | 27.9 | 8.72 | 1.38 |
| 14 | 140 | 73 | 4.9 | 7.5 | 8 | 3 | 17.4 | 13.7 | 572 | 81.7 | 5.73 | 46.8 | 41.9 | 11.5 | 1.55 |
| 16 | 160 | 81 | 5 | 7.8 | 8.5 | 3.5 | 20.2 | 15.9 | 873 | 109 | 6.57 | 62.3 | 58.6 | 14.5 | 1.7 |
| 18 | 180 | 90 | 5.1 | 8.1 | 9 | 3.5 | 23.4 | 18.4 | 1290 | 143 | 7.42 | 81.4 | 82.6 | 18.4 | 1.88 |
| 20 | 200 | 100 | 5.2 | 8.4 | 9.5 | 4 | 26.8 | 21 | 1840 | 184 | 8.28 | 104 | 115 | 23.1 | 2.07 |
| 22 | 220 | 110 | 5.4 | 8.7 | 10 | 4 | 30.6 | 24 | 2550 | 232 | 9.13 | 131 | 157 | 28.6 | 2.27 |
| 24 | 240 | 115 | 5.6 | 9.5 | 10.5 | 4 | 34.8 | 27.3 | 3460 | 289 | 9.97 | 163 | 198 | 34.5 | 2.37 |
| 27 | 270 | 125 | 6 | 9.8 | 11 | 4.5 | 40.2 | 31.5 | 5010 | 371 | 11.2 | 210 | 260 | 41.5 | 2.54 |
| 30 | 300 | 135 | 6.5 | 10.2 | 12 | 5 | 46.5 | 36.5 | 7080 | 472 | 12.3 | 268 | 337 | 49.9 | 2.69 |
Таблица 3. Маркировка, размеры и характеристики двутавров с параллельными гранями полок

| № двутавра | h [мм] | b [мм] | s [мм] | t [мм] | r [мм] | А [см2] | m [кг] | Ix [см4] | Wx [см3] | ix [см] | Sx [см3] | Iy [см4] | Wy [см3] | iy [см] |
|---|---|---|---|---|---|---|---|---|---|---|---|---|---|---|
| 10Б1 | 100 | 55 | 4.1 | 5.7 | 7 | 10.32 | 8.1 | 171 | 34.2 | 19.7 | 4.07 | 15.9 | 5.8 | 1.24 |
| 12Б1 | 117.6 | 64 | 3.8 | 5.1 | 7 | 11.03 | 8.7 | 257 | 43.8 | 24.9 | 4.83 | 22.4 | 7 | 1.42 |
| 12Б2 | 120 | 64 | 4.4 | 6.3 | 7 | 13.21 | 10.4 | 318 | 53 | 30.4 | 4.9 | 27.7 | 8.6 | 1.45 |
| 14Б1 | 137.4 | 73 | 3.8 | 5.6 | 7 | 13.39 | 10.5 | 435 | 63.3 | 35.8 | 5.7 | 36.4 | 10 | 1.65 |
| 14Б2 | 140 | 73 | 4.7 | 6.9 | 7 | 16.43 | 12.9 | 541 | 77.3 | 44.2 | 5.74 | 44.9 | 12.3 | 1.65 |
| 16Б1 | 157 | 82 | 4 | 5.9 | 9 | 16.18 | 12.7 | 689 | 87.8 | 49.5 | 6.53 | 54.4 | 13.3 | 1.83 |
| 16Б2 | 160 | 82 | 5 | 7.4 | 9 | 20.09 | 15.8 | 869 | 108.7 | 61.9 | 6.58 | 68.3 | 16.6 | 1.81 |
| 18Б1 | 177 | 91 | 4.3 | 6.5 | 9 | 19.58 | 15.4 | 1063 | 120.1 | 67.7 | 7.37 | 81.9 | 18 | 2.04 |
| 18Б2 | 180 | 91 | 5.3 | 8 | 9 | 23.95 | 18 | 1317 | 146.3 | 83.2 | 7.41 | 100.8 | 22.2 | 2.05 |
| 20Б1 | 200 | 100 | 5.6 | 8.5 | 12 | 28.49 | 22.4 | 1943 | 194.3 | 110.3 | 8.26 | 142.3 | 28.5 | 2.23 |


























































